کلید اتوماتیک کامپکت MCCB-HGM هیوندای

0 در 0 نظر

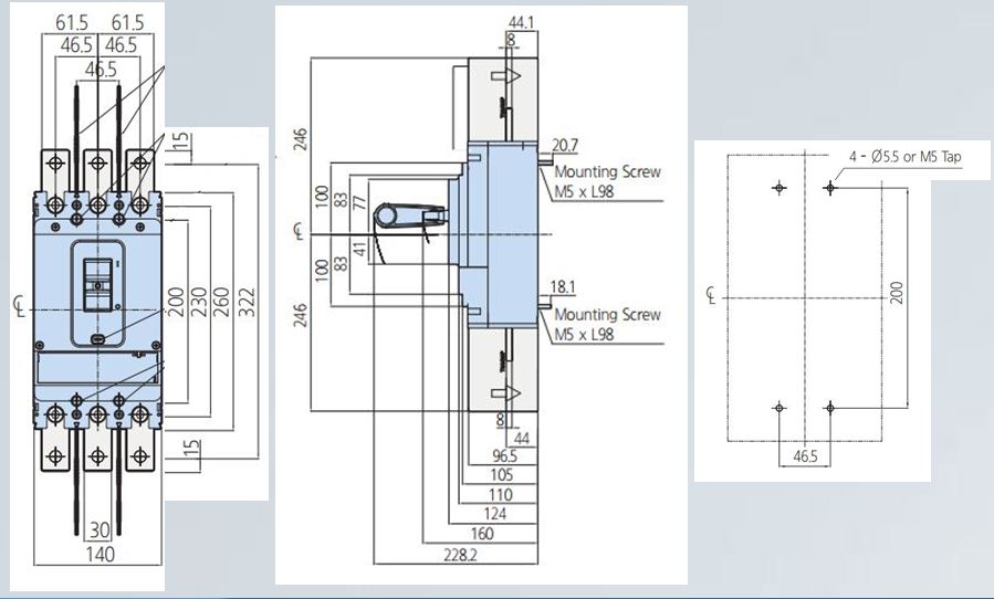
کلیدهای اتوماتیک MCCB-HGM
کلید اتوماتیک یک نوع کلید الکترومکانیکی است که تغییر حالت کنتاکت های آن باعث قطع و وصل شدن مدار می شود. کلیدهای اتوماتیک جهت حفاظت تاسیسات روشنایی، سیم و کابل و ماشین آلات در برابر جریان اتصال کوتاه و اضافه بار مورد استفاده قرار می گیرند.

 

کلید های اتوماتیک کامپکت (بدنه تزریقی)(MCCB) 
یکی از انواع کلیدهای اتوماتیک، کلیدهای اتوماتیک کامپکت (MCCB) می باشد. بدنه این نوع از کلید ها از نوع خاصی از قالبهای تزریقی ساخته می شود و از جمله خصوصیات آنها کوچک بودن ابعاد آنها و از معایب آنها می توان به عدم امکان سرویس و تعمیر آنها و کمتر بودن قدرت قطع آنها نسبت به کلید های هوایی اشاره نمود.

 

HGM

 مکانیزم عملکرد:

 حرارتی مغناطیسی (قابل تنظیم با رله حرارتی- غیرقابل تنظیم)

 استانداردها:  IEC60947-2

 حفاظت: اضافه بار، اتصال کوتاه

 تعداد پل ها: 2، 3، 4

 ولتاژ عملکرد: 220 تا 690 ولت جریان متناوب، 250 ولت جریان مستقیم(2 پل)

 جریان نامی: 16 تا 800 آمپر

 قدرت قطع: 16تا 100 کیلو آمپر

lcs=100% lcu

Uimp=8KV

 

انواع کلیدهای کامپکت از لحاظ قابلیت تنظیم
کلیدهای اتوماتیک فیکس (غیرقابل تنظیم)
کلیدهای اتوماتیک قابل تنظیم

 

کلیدهای اتوماتیک فیکس (FIX)
کلیدهای اتوماتیک فیکس محدوده جریان قطع ندارند درواقع روی یک جریان ثابت شده اند و فاقد پیچ تنظیم جریان می باشند. عملکرد کلید های کامپکت فیکس به این صورت است که هرگاه جریان مدار از حد مجاز کلید بیشتر شود، این کلید جریان را قطع می کند.

 

کلیدهای اتوماتیک قابل تنظیم 
این نوع کلید اتوماتیک رنج های مختلف جریان را پوشش می دهد. و در آمپراژ پایین از 16 آمپر تا  آمپراژ بالا تا 1600 آمپر تولید می شود.

 

مزایای استفاده از کلیدهای اتوماتیک
کلیدهای اتوماتیک پس از قطع مدار به دلیل اضافه جریان یا اتصال کوتاه با رفع مشکل دوباره قابل به کارگیری هستند.
از مدار و سایر المان های شبکه در برابر اضافه بار و اتصال کوتاه محافظت می کنند.
کلیدهای اتوماتیک قابلیت قطع سه فاز به صورت همزمان را دارند.

 

انواع حفاظت در کلید های اتوماتیک
حفاظت مغناطیسی:
این نوع حفاظت فقط برای حفاظت در برابر اتصال کوتاه می باشد. و به همین دلیل معمولا با سایر تجهیزات حفاظتی ترکیب می شود.

حفاظت حرارتی مغناطیسی :
این نوع حفاظت، برای حفاظت در برابر اضافه بار و افزایش حرارت ناشی از اضافه جریان به کار برده می شود و همچنین قابل تنظیم جهت قطع کلید در هنگام وقوع اتصال کوتاه می باشد.

حفاظت الکترونیکی :
در این واحد حفاظتی با استفاده از واحد تریپ الکترونیکی می توان پارامترهای جریانی و زمانی  مختلفی را بر حسب نیاز تنظیم نمود.

حفاظت میکروپروسسوری :
این نوع از حفاظت با استفاده از سیستم پردازشگر، مغادیر را براساس الگوریتم های از پیش تعریف شده کنترل می کند.

فروش ویژه
0 تومان
در انبار
مدل کلید اتوماتیک کامپکت MCCB-HGM هیوندای
برند اشنایدر
دسته بندی کلید اتوماتیک
  • ارسال سریع
    ارسال در سریع ترین حالت ممکن
  • پشتیبانی 24/7
    هر زمان خواستید با ما تماس بگیرید
  • ضمانت بازگشت وجه
    در صورت عدم رضایت
  • تضمین قیمت
    کمترین قیمت بازار
  • اصالت کالا
    تضمین اصالت کالا
  • 100% ایمنی
    فقط پرداخت های امن
  • پیشنهادات داغ
    تخفیف تا 90%

کلیدهای اتوماتیک MCCB-HGM
کلید اتوماتیک یک نوع کلید الکترومکانیکی است که تغییر حالت کنتاکت های آن باعث قطع و وصل شدن مدار می شود. کلیدهای اتوماتیک جهت حفاظت تاسیسات روشنایی، سیم و کابل و ماشین آلات در برابر جریان اتصال کوتاه و اضافه بار مورد استفاده قرار می گیرند.

 

کلید های اتوماتیک کامپکت (بدنه تزریقی)(MCCB) 
یکی از انواع کلیدهای اتوماتیک، کلیدهای اتوماتیک کامپکت (MCCB) می باشد. بدنه این نوع از کلید ها از نوع خاصی از قالبهای تزریقی ساخته می شود و از جمله خصوصیات آنها کوچک بودن ابعاد آنها و از معایب آنها می توان به عدم امکان سرویس و تعمیر آنها و کمتر بودن قدرت قطع آنها نسبت به کلید های هوایی اشاره نمود.

 

HGM

 مکانیزم عملکرد:

 حرارتی مغناطیسی (قابل تنظیم با رله حرارتی- غیرقابل تنظیم)

 استانداردها:  IEC60947-2

 حفاظت: اضافه بار، اتصال کوتاه

 تعداد پل ها: 2، 3، 4

 ولتاژ عملکرد: 220 تا 690 ولت جریان متناوب، 250 ولت جریان مستقیم(2 پل)

 جریان نامی: 16 تا 800 آمپر

 قدرت قطع: 16تا 100 کیلو آمپر

lcs=100% lcu

Uimp=8KV

 

انواع کلیدهای کامپکت از لحاظ قابلیت تنظیم
کلیدهای اتوماتیک فیکس (غیرقابل تنظیم)
کلیدهای اتوماتیک قابل تنظیم

 

کلیدهای اتوماتیک فیکس (FIX)
کلیدهای اتوماتیک فیکس محدوده جریان قطع ندارند درواقع روی یک جریان ثابت شده اند و فاقد پیچ تنظیم جریان می باشند. عملکرد کلید های کامپکت فیکس به این صورت است که هرگاه جریان مدار از حد مجاز کلید بیشتر شود، این کلید جریان را قطع می کند.

 

کلیدهای اتوماتیک قابل تنظیم 
این نوع کلید اتوماتیک رنج های مختلف جریان را پوشش می دهد. و در آمپراژ پایین از 16 آمپر تا  آمپراژ بالا تا 1600 آمپر تولید می شود.

 

مزایای استفاده از کلیدهای اتوماتیک
کلیدهای اتوماتیک پس از قطع مدار به دلیل اضافه جریان یا اتصال کوتاه با رفع مشکل دوباره قابل به کارگیری هستند.
از مدار و سایر المان های شبکه در برابر اضافه بار و اتصال کوتاه محافظت می کنند.
کلیدهای اتوماتیک قابلیت قطع سه فاز به صورت همزمان را دارند.

 

انواع حفاظت در کلید های اتوماتیک
حفاظت مغناطیسی:
این نوع حفاظت فقط برای حفاظت در برابر اتصال کوتاه می باشد. و به همین دلیل معمولا با سایر تجهیزات حفاظتی ترکیب می شود.

حفاظت حرارتی مغناطیسی :
این نوع حفاظت، برای حفاظت در برابر اضافه بار و افزایش حرارت ناشی از اضافه جریان به کار برده می شود و همچنین قابل تنظیم جهت قطع کلید در هنگام وقوع اتصال کوتاه می باشد.

حفاظت الکترونیکی :
در این واحد حفاظتی با استفاده از واحد تریپ الکترونیکی می توان پارامترهای جریانی و زمانی  مختلفی را بر حسب نیاز تنظیم نمود.

حفاظت میکروپروسسوری :
این نوع از حفاظت با استفاده از سیستم پردازشگر، مغادیر را براساس الگوریتم های از پیش تعریف شده کنترل می کند.

یک نظر بنویسید

دیدگاه شما باید حداکثر 800 کاراکتر باشد